1. <u id="rffdp"></u>
    1. 國家消防3C認證企業(yè) 浙江省紹興市上虞區(qū)百官街道路東工業(yè)園區(qū)
      歡迎訪問紹興上虞大舜通風設備有限公司網站!
      全國銷售服務熱線
      135-8852-6808138-5752-6848
      chanpinzhongxin

      產品中心

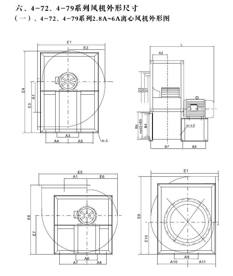
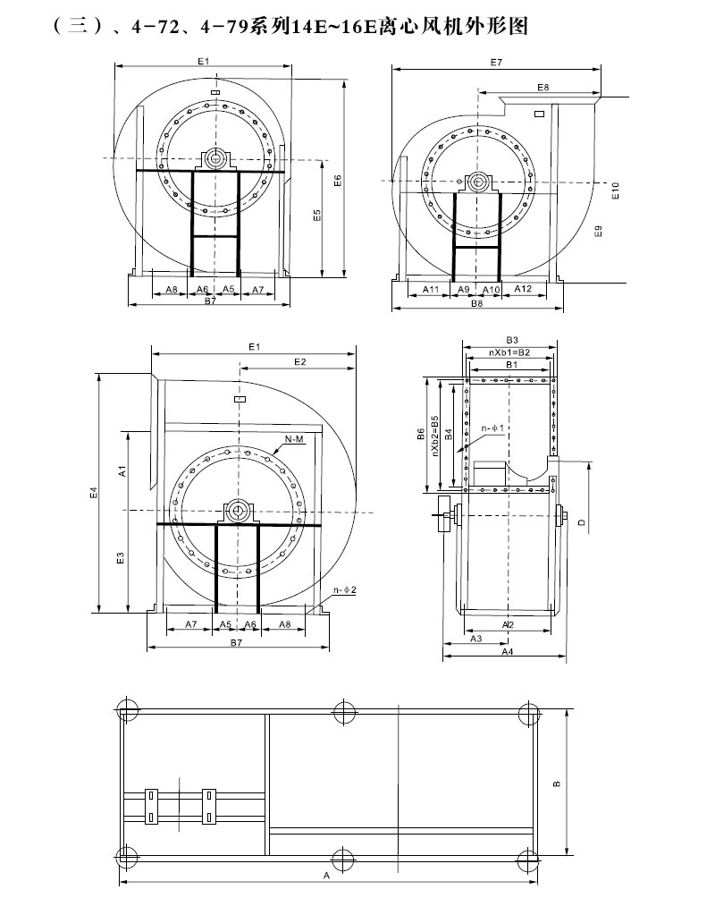
      4-72、4-79系列離心風機

      點擊數:1239 錄入時間:2024-04-08 15:06:04【打印此頁】【返回

      1. <u id="rffdp"></u>